welcome海洋之神

所有产品
  • ONPOW6125F-11/S
  • ONPOW6125F-11/S

ONPOW6125F-11/S

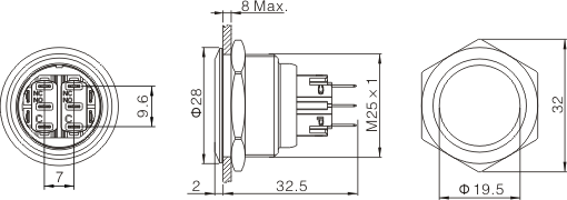
• 安装直径:φ25mm

• 头部形状:平圆形

• 触点结构:1NO1NC/2NO2NC

• 操作类型:自复/自锁

• 认证:CCC、CE、UL

 

如果您有定制需求,请联系ONPOW!

重要参数

1.开关额定值:Ui:250VAC,Ith:5A

2.机械寿命:≥1000,000 次循环
3.电气寿命:≥ 50,000 次循环
4.接触电阻:≤50mΩ
5.绝缘电阻:≥100MΩ(500VDC)
6.最高耐压:1,500V,交流50Hz,1分钟
7.工作温度:-25℃~55℃(无冰冻)
8.操作压力:约3N(1NO1NC)/约4N(2NO2NC)
9.操作行程:约3毫米
10.螺母扭矩:1.2N·m
11.前面板防护等级:IP65(IP67可定制),IK09
12.尾部配置:接线插片 (2.8x0.5mm)

6125.png


材料:

1.触点材质:银合金

2.按键:不锈钢

3.壳体:不锈钢

4.底座:PA